主营:高低温冲击箱、冷热冲击试验箱、两箱冷热冲击箱等设备
400-822-8565
158-9969-7899
探测:PD1000A局部放电仪操作规范
一、操作步骤:
1、检查试验场地的接地情况,将仪器后部的接地螺栓用粗铜线与试验场地的接地线妥善相接,检测阻抗的接地短路片也要妥善接地。
2、根据试品电容Ca及耦合电容Ck的大小,选取合适序号的检测阻抗,表1中调谐电容量系指从检测阻抗初级绕组两端看到的等效电容(可按Ca与Ck的串联值粗略估算)。检测阻抗应尽量靠近被测试品,检测阻抗的Q9插头经过同轴电缆与仪器前面板上的电脉冲信号输入插座相接。
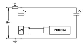
3、试品接入检测阻抗的方法主要有以下几种,如图1所示。


图1a并联接法 图1b串联接法
图中:Ca—试品;Ck—耦合电容;Z—阻塞阻抗;Zm—检测阻抗
4、在高压端接上电阻分压器, 其低压输出经测量电缆接到前面板电压通道插座(不得超过5V)。
5、在未加试验电压的情况下,用校准脉冲发生器CPG-1在被试品两端注入所需的电荷量。
6、调节程控衰减或放大以及带宽设置,使屏幕上的脉冲高度大小适当、背景良好,按下校准按钮,待显示稳定后再按下生效按钮,校准完成。校准程序界面如图2所示。
7、取下校准脉冲发生器,确认现场接线无误后开始升压,调节时基频率等于电源频率。
8、读取放电量和有关量值。局放测量界面如图3所示:

图2:校准程序界面 图3:局放测量程序界面
二、注意事项:
1、为确保人身及设备安全,仪器外壳应可靠接地以防触电。
2、由于局部放电试验时被试品上加有高电压,试验时试验人员与被试品之间应保持足够的安全距离,周围可能产生感应电压的设备或金属体应可靠接地。试验开始之前,试验现场要加设安全遮栏,与试验无关的人员必须撤离出试验区。
3、测量应保持增益与通带与校准时一致,若需改变增益可按衰减或放大的倍数进行换算。http://www.dgzhenghang.com.cn
东莞市正航仪器设备有限公司 Copyright © 版权所有contact us
地址:广东省东莞市寮步镇岭安街2号手机微信号
微信公众号
手机网站


